开云·体育

变压器铁芯接地传感器(开合锁扣式)
变压器铁芯接地传感器(开合锁扣式) 变压器铁芯接地传感器(开合锁扣式) 变压器铁芯接地传感器(开合锁扣式) 变压器铁芯接地传感器(开合锁扣式)

变压器铁芯接地传感器(开合锁扣式)

  • 产品介绍
  • 常见问题
  • 资质证书
  • 留言咨询
产品概述
 

变压器是电力系统中的关键设备,它的正常运行是电力系统安全、可靠、稳定、经济运行的重要保证。电力变压器运行时,绕组周围存在着交变的磁场,因电磁感应的作用,高压绕组与低压绕组之间,低压绕组与铁心之间,铁心与外壳之间存在着寄生电容,带电绕组将通过寄生电容的耦合作用,使铁心对地产生悬浮电位,因铁心及其它金属构件与绕组的距离不相等,使各构件之间存在着电位差,当两点之间的电位差达到能够击穿其间的绝缘时,便产生火花断续放电,对变压器油和固体绝缘产生不良影响,故需要把铁心与外壳连接,使它与外壳等电位。若铁心或其他金属构件有两点或多点接地时,接地点就会形成闭合回路,造成环流,会引起变压器本体局部过热,导致油分解,进而导致绝缘性能下降,严重时,会使铁心硅钢片烧坏,造成主变重大事故,故主变铁心必须接地。否则铁心对地会产生悬浮电压或铁心多点接地而产生发热故障,严重威胁变压器以及电网的安全。通过对铁心接地电流的监测,能及时发现铁心多点接地等故障,防患于未然,把故障消灭在萌芽状态。

TRKXL-60W型变压器铁芯接地传感器是专门配套客户端“变压器铁心及夹件接地电流监测装置”,用于监测变压器铁心及夹件接地故障电流,可实现对铁心接地电流进行连续、在线监测,通过监测可以实时监控设备的绝缘状况,且能及时发现内部绝缘受潮或受损、铁心多点接地、箱体内异物、油箱油泥沉积等故障。更重要的是能为此类设备的状态检修提供可靠的数据依据。

选用起始导磁率高的材料做铁芯,采用了独特的深度负反馈技术和多层金属屏蔽措施,能够对铁芯全自动补偿,使铁芯工作在理想的零磁通状态。该传感器能够准确检测100μA—700mA的工频电流。相位变换误差不大于0.01°,具有良好温度特性和电磁场干扰能力,完全满足复杂的电站现场干扰下的设备取样的精确度。

产品特点
 

开合式结构,易于现场安装,操作方便。不需断开被测初级电缆即可快速、方便地安装或拆除

可准确测量μA级电流,测量精度高,线性度好

多重屏蔽,抗干扰能力强,能在复杂环境下工作

可选屏蔽线或航空插输出

特殊防水防锈蚀金属外壳,环氧树脂封灌,可在户外长期工作

应用范围
 
变压器铁芯接地在线监测;高压套管绝缘在线监测;氧化锌避雷器绝缘在线监测;电流、电压互感器与电容器在线监测;高压带电显示器。
性能指标
 
电气
性能
参数
电气符号 性能参数 开合锁扣式
I P 可测范围 1mA~10A
V OUT 额定输出 0~7VRMS
X 准确度@IPN 1.0%±1mA(IP>10A@0.5%)
ε L 线性度 ≤0.5%
Uc 供电电压 ±12V DC
V Off 失调电压 1mV
I C 最大耗电 10mA
f 工作频率 50~400 Hz
T A 工作温度 -40℃~+85℃
T S 储藏温度 -40℃~+100℃
机械
结构
参数
外    壳 金属外壳 输出方式 屏蔽线/防水航插
铁芯材质 纳米晶/坡莫合金 封    灌 柔性硅胶&环氧树脂
磁屏结构 碳钢/坡莫合金 施工方案 底座安装固定
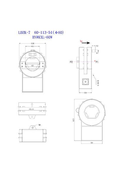
外形及安装尺寸
 
外形及安装尺寸 外形及安装尺寸

湖北天瑞电子股份有限公司的主营产品有:电流互感器、电压互感器、电流变换器、电压变换器、霍尔传感器等,希望可以帮到你。

天瑞公司现有三大业务领域分别是:继电保护与自动化、智能电网、新能源。其中,继保领域主要目标市场为:电量传感器、GPS同步时钟源;智能电网领域主要目标市场为:数显电力仪表、高压电能计量装置;新能源领域主要目标市场为:太阳能和风电转换装置、新能源电池监控装置等。

以满足客户需求为工作焦点,关注产品质量,提倡产品标准化,使经营业绩得到了蓬勃发展。近五年销售收入年均增幅为35%,高出行业增长水平20个百分点。 天瑞公司现有三大业务领域分别是:继电保护与自动化、智能电网、新能源。其中,继保领域主要目标市场为:电量传感器、GPS同步时钟源;智能电网领域主要目标市场为:数显电力仪表、高压电能计量装置;新能源领域主要目标市场为:太阳能和风电转换装置、新能源电池监控装置等。公司自成立之初,就致力做好做精做强电力电子产业,积极承担社会责任,高度重视人才培养,现已成为行业内广受尊重的企业之一。

2006年被推选为中国电器工业协会理事单位 2010年被评定为国家高新技术企业 2013年被中华全国总工会评为“工人先锋号”,被授予湖北省名牌 2014年被中国电子工业协会评为“全国电子信息行业最具社会责任企业”称号 2015年被授予湖北省著名商标2017年被评定为“中国驰名商标”

湖北天瑞电子股份有限公司从1998年在湖北省天门市成立, 有着超过20年的技术开发和生产管理的经验积累。

电流互感器是由闭合的铁心和绕组组成。它的一次绕组匝数很少,串在需要测量的电流的线路中,因此它经常有线路的全部电流流过,二次绕组匝数比较多,串接在测量仪表和保护回路中,电流互感器在工作时,它的二次回路始终是闭合的,因此测量仪表和保护回路串联线圈的阻抗很小,电流互感器的工作状态接近短路。

按照用途不同,电流互感器大致可分为两类 : 测量用电流互感器:在正常工作电流范围内,向测量、计量等装置提供电网的电流信息。 保护用电流互感器:在电网故障状态下,向继电保护等装置提供电网故障电流信息。

剩余电流互感器是漏电保护器的检测元件,它的主要功能是检测通过互感器铁心的主电路的剩余电流(触电、漏电等接地故障电流),并将一次回路的剩余电流变换成二次回路的输出电压。剩余电流互感器是漏电保护器中最关键的部件之一。

电压传感器的原理: 对于交流电压测量,可用电压互感器作为传感元件,即使用一台电压互感器将被测电压降至到可利用的低电压,然后通过相关电路变换成与被测电压成线性关系的直流电压送入到数据采集系统和A/D转换器。 当被测电压为直流电压时,可用分压电阻作为传感元件,并联在被测元件两端的电阻值应足够大(一般应控制在消耗功率小于被测电机额定功率的1/1000以下)),以尽可能地减少该回路电流产生的损耗给测量值造成的影响,对于低压电机,应在10KΩ左右。取该被测电压在电阻上的一部分电压降作为信号,直接送入到数据采集系统和A/D转换器。

电压传感器的作用是自动检测电压,从而使我们能够对设备或系统的电压进行控制和显示,必要时采取过电压、欠电压等自动保护措施。
环境管理体系认证证书-中文
质量管理体系认证证书-中文
职业健康安全管理体系认证证书-中文
CE
IATF16949
REACH
REACH
RoHS
感谢您的留言,我们将尽快与您联系!

联系我们

服务热线:400-086-3003

电话: 5353117

传真:

邮箱:

地址:湖北省天门市经济开发区创业大道8号

天瑞电子微信公众号
天瑞电子微信公众号
感谢您的留言,我们将尽快与您联系!